产品中心

梅特勒托利多 赛多利斯 美国传力 朗科精工 中航 安桥电子

托利多TSB称重传感器

发布日期:2023-06-19 浏览次数:826

  • /static/upload/image/20230619/1687160394760347.png

      梅特勒托利多TSB称重传感器产品特点:

      S型拉式称重传感器

      防护等级IP67,优质合金钢材质,表面镀镍

      结构紧凑,长期稳定性好

      防爆标志Ex ia IIC T4~T6 Ga Ex iaD 20 T85~T135

      适量程范围:2t,3t,5t

      用于吊钩秤,料罐,传送带,配料称重控制,机械衡改造

      TSB称重传感器技术参数:

    TSB称重传感器技术参数

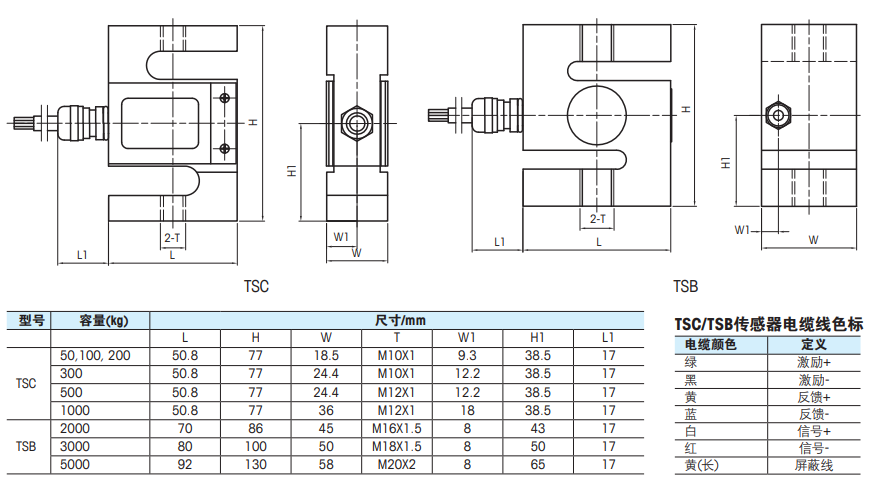
      TSB称重传感器产品尺寸:

    TSB称重传感器产品尺寸

    标签: 称重传感器 S型传感器
    X苏州安桥电子公司

    截屏,微信识别二维码

    微信号:18913129792

    (点击微信号复制,添加好友)

      打开微信

    微信号已复制,请打开微信添加咨询详情!